vance.dykes
Well-Known Member
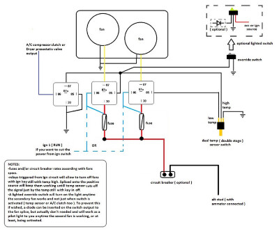
I don't get why the supression diode here
would that be for noise in system ?
I don't get why the supression diode here
a/c clutch is 12 voltThe relay for AC here will never be energized? There is no power shown to the coil
The lighted switch option is not shown very clearly?
View attachment 1073706
The relay for AC here will never be energized? There is no power shown to the coil
The lighted switch option is not shown very clearly?
View attachment 1073706
would that be for noise in system ?
OK then what dose it suppressed ?but between + and - on relay ? Noises are supressed by condensers no diodes. From my point of view, there will get a short when fan is activated
i found thiswell, I'm not electronic components expert, just the basics on this, but I can't find the logic. Anyway, No need for that for the fan operation
Why Put a Diode Across a Relay Coil?well, I'm not electronic components expert, just the basics on this, but I can't find the logic. Anyway, No need for that for the fan operation
Guys, my head is spinning like crazy with all the knowledge showing up on here. Don't stop on my account though.
David
Thank you for posting this, I learned something useful todayWhy Put a Diode Across a Relay Coil?
When the power supply is connected to the relay, the inductance coil’s voltage builds up to match that of the power source. The speed at which current can change in an inductor is limited by its time constant. In this case, the time it takes to minimize current flow through the coil is longer than the time it takes for the power supply to be removed. Upon disconnection, the inductive load in the coil reverses its polarity in an attempt to keep current flowing according to its dissipation curve (i.e., % of maximum current flow with respect to time). This causes a huge voltage potential to build up on the open junctions of the component that controls the relay.
This voltage built up is called flyback voltage. It can result in an electrical arc and damage the components controlling the relay. It can also introduce electrical noise that can couple into adjacent signals or power connections and cause microcontrollers to crash or reset. If you have an electronics control panel that resets each time a relay is de-energized, it’s highly possible you have an issue with flyback voltage.
To mitigate this issue, a diode is connected with reverse polarity to the power supply. Placing a diode across a relay coil passes the back electro magnetic field and its current through the diode when the relay is energized as the back EMF drives the flyback protection diode in forward bias. When the power supply is removed, the voltage polarity on the coil is inverted, and a current loop forms between the relay coil and protection diode; the diode again becomes forward biased. The freewheeling diode allows current to pass with minimal resistance and prevents flyback voltage from building up, hence the name flyback diode.
View attachment 1073761
Tiny flyback diodes prevent huge flyback voltage from damaging your components.
Flyback Diode Wiring for Relay Noise Suppression
The placement of a flyback protection diode is rather simple; it should be placed directly across the relay's coil. A schematic for a freewheeling diode circuit in a relay is shown below. In this schematic, the resistor R in parallel with the flyback diode wiring represents the coil's intrinsic DC resistance.
View attachment 1073762
Flyback diode wiring in a relay circuit.
Note that the placement of the diode does not prevent a voltage spike from travelling to some downstream load. Instead, it provides a path with low resistance that reroutes the current, thus the voltage spike at the downstream load will be much lower. Using a simple 1N4007 diode is sufficient to suppress large voltage spikes in a 24VDC relay with a diode protection circuit.
The current path in the diode depends on whether the switch in the relay is closed or opened. As the switch is initially closed, the inductor load generates a back electro magnetic field as its transient response, and the voltage slowly rises to the supply voltage value. Once the switch is opened, the back electro magnetic field created by the inductor switches direction and points towards ground, creating a transient response that slowly dies off. Thanks to the low resistance loop created by the freewheeling diode in forward bias, current is diverted through the diode rather than creating a large voltage spike elsewhere in the circuit.
View attachment 1073763
Current flow through the flyback diode wiring in a relay circuit.
For automotive applications having decent stereo systems, relay “popping” noise can be picked up in the audio from relays without a “flyback” diode across the primary coil. Some OE high end automotive relays have them built in. Pictured, diodes installed on headlamp relays.
View attachment 1073779
Must be English and hate back feeds..would that be for noise in system ?