• When you click on links to various merchants on this site and make a purchase, this can result in this site earning a commission. Affiliate programs and affiliations include, but are not limited to, the eBay Partner Network.

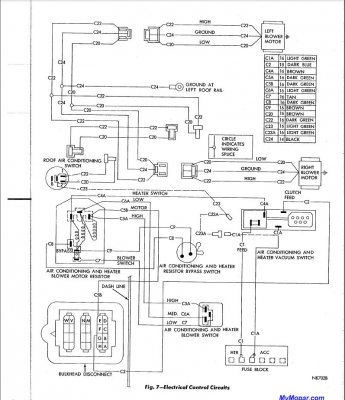
Wiring Diagram for Factory A/C car

VFilms

Well-Known Member
Local time
10:06 PM
Joined
Nov 12, 2014
Messages
1,416
Reaction score
2,721
Location
Saratoga NY
Does anyone have, or know where I can find a wiring diagram for a 66/67 Belvedere/Satellite with factory A/C.
I have found many on line but none showing the A/C switch and controller diagram. I am trying to finally put to bed the confusion with the old part# (pre 68) and new part# (68/74) controllers, how they are different and why they can't be substituted for each other. I've taken my 66 controller apart to see just how it works and if someone can help with a diagram I will certainly post my findings. When you see pre-68 controllers selling for $500 and post-68 selling for $45, there's something wrong. Any help will be appreciated.
 
The link below sends you to a page where you can download a 1966 Plymouth Factory Service Manual for free. Download it and scroll to the Air Conditioning section. There should be full schematic's for all the wiring in the car in the electrical section.

Good Luck

http://www.mymopar.com/index.php?pid=109

ac wiring.JPG
 
PROPWASH... got it. Thanks. Also downloaded the 68 manual to compare. Will report what I find. Thanks again!!
 
Any suggestions on what is keeping my cluster lights on a 67 Dodge Coronet from working? All gauges work, but dash lights do not. The instrument panel was removed and tested by an electronics repair shop. I put all new bulbs in the dash. I've verified that the wiring is correct, from the ignition source, both continuity and power are ok.
 
I had a similar issue and found an open circuit in the printed circuit board - a very minor crack. Replaced it and it worked fine.
 
PROPWASH... got it. Thanks. Also downloaded the 68 manual to compare. Will report what I find. Thanks again!!

Not a problem, glad to help.

Any suggestions on what is keeping my cluster lights on a 67 Dodge Coronet from working? All gauges work, but dash lights do not. The instrument panel was removed and tested by an electronics repair shop. I put all new bulbs in the dash. I've verified that the wiring is correct, from the ignition source, both continuity and power are ok.

If I was you I'd start at the first point of contact. It's highly unlikely all the bulb sockets aren't making contact on the copper printed leaf circuit for the dash lights, and you mentioned the board was tested by an electronic shop, so the printed copped circuitry should be good (I'd still check it myself with an Ohms meter). One, I would check ground. There is five PAL nut's that secure the board to the instrument cluster. Those five act as ground for the dash light circuit. Make sure they have a good metal to metal seating with the studs they secure on, as well as having nice clean seating to the circuit board.

MB2012.JPG

Next I would check the condition of the pin, for the + wire in for the dash lights. Those pins weaken up over time and de-laminate from the board, breaking off into the dash harness connector. If that's good, I would hot wire test the orange wire for that pin in the plug connector. If no power is to be had, it's time to start chasing that orange wire back to see where the problem may be further down the harness.

Here's your Schematic's:

http://www.mymopar.com/downloads/1967/67CoronetA.JPG

http://www.mymopar.com/downloads/1967/67CoronetB.JPG
 
Thanks Propwash. When the weather gets warmer in my garage, I will follow your directions. My enthusiasm for pulling the instrument cluster out again has waned. Hopefully warmer weather will motivate me. I appreciate your direction.
 
Back
Top